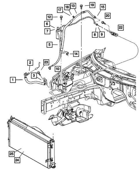
Air Conditioner and Heater Plumbing for 2002 Chrysler Sebring
No.
Part # / Description / Price
Price
N/A
Hex Flange Nut
Mopar
Mopar Notes: Engines: 2.0L I4 DOHC 16V SMPI ENGINE. 2.4L I4 DOHC 16V SMPI ENGINE. 2.7L V6 24V W/ACTIVE INTAKE ENGINE. 2.7L V6 DOHC 24 VALVE MPI ENGINE.
Description: Line at Condenser. Master Cylinder to Booster. Lateral Brace to Power Takeoff Unit. M8x1.25. Tube Attaching. Canister to Crossmember. Belt Guide Mounting. Canister to Bracket. Rhd.
N/A
A/C Quick Disconnect Clip
Mopar
Mopar Notes: Engines: 2.4L I4 DOHC 16V HO TURBO ENGINE.
Description: Up to 01-09-2002. Liquid Line.
N/A
A/C Quick Disconnect Clip
Mopar
Mopar Description: Large. Suction Line. Up to 01-09-2002. (Discharge) Connect. Quick (Suction) Connect.
N/A
Hex Flange Nut, Mounting, Front
Mopar
Mopar Description: Channel Lower. M6x1.00. Lines to Hvac. After 01-09-2002. Included in Sliding Door Glass. Glass to Regulator attaching. Glass Assy. to Window Regulator. Glass atttach to regulator.
MSRP $4.90
$4.35
MSRP $4.90
$4.35
12
Hex Head Bolt And Coned Washer
Mopar
Mopar Notes: Engines: 2.0L I4 DOHC 16V SMPI ENGINE. 2.4L I4 DOHC 16V HO TURBO ENGINE. 2.4L I4 DOHC 16V SMPI ENGINE. 2.7L V6 DOHC 24 VALVE MPI ENGINE. Transmissions: 5-SPEED MANUAL T350 TRANSMISSION. 5-SPEED MANUAL T850 TRANSMISSION.
Description: M6x1.00x20. Amplfier Bracket Attaching. Speed Sensor Mounting. Input Speed Sensor. M6x1x20. Pressure Sensor. Camshaft. Fuel Rail To Intake Manifold.
MSRP $8.90
$7.42
MSRP $8.90
$7.42
20
Cap Screw, Expansion Valve To Evaporator
Mopar
Mopar Description: .25-20x2.00. Up to 01-09-2002. Valve Mounting.
No.
Part # / Description / Price
Price
12
Hex Flange Head Screw And Washer
Mopar
Mopar Description: .25-14x.875. Liftgate Opening To Quarter Panel. Coolant bottle mounting. Fender to BSA Reinforcement. Fender to bsa reinf lwr. PDC Bracket To Front Right Fender. Reservoir Mounting. Washer reservoir mtg to body. Windshield Washer Reservoir To Body. Rear Of Extension Pipe Shield To Floor Pan.
MSRP $9.20
$7.70
MSRP $9.20
$7.70

